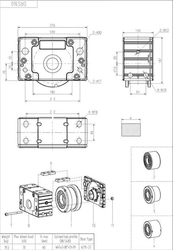
The DRS 160 drive wheel is a modular travel wheel assembly with high load-bearing capacity, suitable for the smooth operation of equipment such as stacker cranes, overhead cranes, and automated conveyor systems.
The DRS 160 drive wheel is a high-performance wheel assembly designed for stacker cranes, overhead cranes, AGVs, automated conveyors, and various heavy duty equipment. This travel wheel combines a high-strength wheel core, a resilient and wear-resistant outer layer, and precision bearings to provide a stable, precise, and easy-to-maintain drive solution.

Structural and Material Highlights
Wheel Core: Machined from preferred alloy steel or ductile iron to ensure rigidity and fatigue resistance; surface heat-treated or quenched to improve wear resistance and strength.
Outer Layer: Polyurethane or high-performance rubber, providing both grip, shock absorption, and track protection.
Bearings and Seals: Utilizes high-precision, durable bearings with double-sided dustproof seals.
Flange/Mounting Interface: Multiple mounting options available for convenient on-site connection.
DRS 160-MA45-B-0-BK-H-X Model Reference
160: Wheel diameter
MA45: Motor mounting method/interface type and size
B: Pin connection
0: Flangless
BK: Rail type
H: Side guide wheel
X: Special option

Performance Advantages of DRS 160 Drive Wheel
High load capacity and low noise operation
A variety of standard and customized drive wheel models available
High-quality housing provides optimal protection for the drive wheel and bearings
Easy structural connection ensures installation accuracy
Modular assembly facilitates on-site replacement
If you have a specific application scenario or need more detailed customization information, click to contact us for more wheel block system solutions and quotes!
Prev: DRS 125 Drive Wheel Block
Next: none!!